Российская марка декоративных стеновых, потолочных и акустических панелей с 2010 года
Бесплатно по России
8 800 600-21-80
Описание

Плинтус WINAL Strong Base — профиль для аккуратного и технологичного примыкания стеновых панелей к полу. Он закрывает нижний стык, защищает кромку панелей от повреждений при уборке и помогает получить ровную, «собранную» линию по периметру помещения.

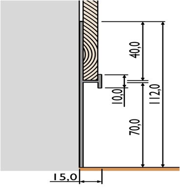
Доступные типоразмеры: WNL 70/13 и WNL 100/13.

Маркировка: в обозначении WNL H/T число H — это высота плинтуса до листового материала, а T — толщина листового материала (например, 70/13 = высота 70 мм под лист 13 мм).

Для чего нужен плинтус Strong Base

  • Эстетика узла примыкания: стык стены и пола выглядит аккуратно, без заметных переходов.
  • Защита нижней кромки: снижает риск сколов и потертостей в зоне интенсивной эксплуатации.
  • Точность монтажа: помогает удерживать стабильную геометрию по периметру и повторяемость узлов на объекте.
  • Практичность: плинтус проще обслуживать и обновлять, чем низ стеновой отделки.

Выбор размера: WNL 70/13 или WNL 100/13

Оба типоразмера относятся к одной линейке, но рассчитаны на разные сценарии применения.

  • WNL 70/13 — когда нужен более компактный визуальный контур и минимальная «высота» плинтуса.
  • WNL 100/13 — когда важна усиленная защита нижней зоны и более выраженное закрытие узла примыкания.

Если сомневаетесь в выборе — подскажем оптимальный типоразмер под ваш узел (тип панелей, нагрузка, интерьерная задача).

Материал и финишная отделка

Плинтус Strong Base выполняется как прочный профиль, рассчитанный на эксплуатационные нагрузки в общественных и коммерческих пространствах.

Варианты исполнения — по запросу:

  • Окраска в любой цвет по шкале RAL (в т.ч. под цвет панелей/монтажного профиля). См. каталог RAL для профиля.
  • Базовые складские цвета — при наличии (уточняйте у менеджера).

Где применяется

Плинтус WINAL Strong Base используют там, где важны аккуратные узлы и долговечность нижней зоны стен:

  • офисы и бизнес-центры;
  • медицинские учреждения;
  • образовательные объекты;
  • торговые и общественные пространства;
  • жилые интерьеры (квартиры, апартаменты, частные дома).

Монтаж (общие принципы)

Фактическая схема монтажа зависит от узла, типа стеновых панелей и основания пола, но общая логика следующая:

  1. Выполняется разметка по периметру и проверка геометрии примыкания.
  2. Плинтус устанавливается в проектное положение (по уровню/линии), стыки и углы подгоняются по месту.
  3. Формируется чистый узел примыкания панелей к плинтусу с учетом технологических зазоров.

При необходимости предоставим рекомендации по узлам и документацию под ваш объект.

Почему это решение выбирают для объектов

  • Стабильная геометрия: ровная линия по периметру без «гуляющих» стыков.
  • Защита в эксплуатации: нижняя зона стены меньше подвержена повреждениям.
  • Единый стиль: можно подобрать цвет плинтуса под панели и/или монтажный профиль.
  • Повторяемость: удобно закладывать в типовые решения для серийных помещений.

Запрос расчета и сроков

Чтобы рассчитать стоимость и сроки поставки, пришлите запрос:

  • типоразмер: WNL 70/13 или WNL 100/13 (или оба);
  • общий метраж по объекту;
  • город доставки;
  • пожелания по цвету (RAL) и финишу.

Мы подготовим спецификацию и коммерческое предложение под ваш проект.

Вы архитектор или строитель?

Запросите образцы нашей продукции, специальные условия взаимодействия и персональную скидку!